首页
产品
转台
角度头
DDR直驱转台
维修中心
下载
DDR直驱转台
关于
联系
卓越品质的产品
助力您的高效加工
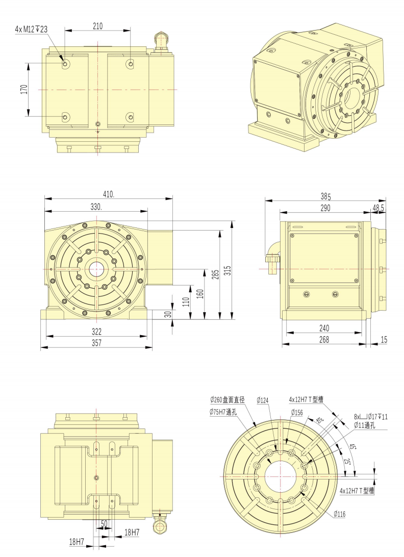
DDRT-260
产品特点
技术参数
可选项